绿色低碳发展优秀实践案例:水泥窑尾烟气脱硫技术改造
2024-05-29103



洛阳黄河同力水泥有限责任公司由河南中联同力材料有限公司、洛阳市政府、宜阳县政府三方出资组成,是中国建材集团河南中联同力材料有限公司骨干成员企业、洛阳市政府重点企业之一。公司拥有从矿山开采、熟料、水泥到余热发电、精品砂石骨料、商砼、水稳等完整的产业链条,是豫西地区产业链最为完整的水泥及新材料制造企业。公司主要生产P.C.42.5、P.O.42.5、P.O.52.5水泥、骨料、机制砂,涵盖水泥产品中、高端领域,其中,同力牌普通硅酸盐水泥被授予“河南省优质产品”称号。公司凭借科学的经营理念、先进的技术水平、完善的管理体系,扁平化的营销架构,确保了质量稳定可靠,服务优质高效,得到了同行业企业和广大客户高度好评。
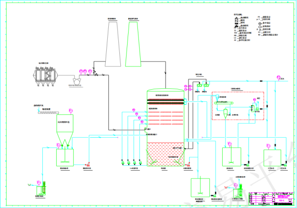
烟气经除尘器后,通过引风机进入吸收塔。在吸收塔内烟气向上流动且被向下流动的循环浆液以逆流方式洗涤。循环浆液则通过喷浆层内设置的喷嘴喷射吸收塔中,以便脱除 SO2、SO3、HCL 和 HF,与此同时在“强氧化工艺”的处理下反应的副产物被导入的空气氧化为石膏(CaSO4?2H2O),并消耗作为吸收剂的石灰石。循环浆液通过浆液循环泵向上输送到喷淋层中,通过喷嘴进行雾化,可使气体和液体得以充分接触。每个泵通常与其各自的喷淋层相连接,即通常采用单元制。在吸收塔中,石灰石与二氧化硫反应生成石膏,这部分石膏浆液通过石膏浆液泵排出,进入石膏脱水系统。脱水系统主要包括石膏水力旋流器(作为一级脱水设备)、浆液分配器和真空皮带脱水机。经过净化处理的烟气流经两级除雾器除雾,在此处将清洁烟气中所携带的浆液雾滴去除。同时按特定程序不时地用工艺水对除雾器进行冲洗。进行除雾器冲洗有两个目的,一是防止除雾器堵塞,二是冲洗水同时作为补充水,稳定吸收塔液位。在吸收塔出口,烟气一般被冷却到 46-55℃左右,洁净的烟气通过烟道进入烟囱排向大气。详细工艺流程图如下:
脱硫系统主要包括以下内容:石灰石浆液制备系统(利用窑灰);烟气系统;二氧化硫吸收系统;石膏脱水系统;工艺水系统;事故浆液系统; 脱硫岛范围内的钢结构、楼梯和平台;附属管道、配件和辅助设施;电气系统; 控制系统等。窑尾烟气经由布袋除尘器除尘后经过尾排风机接入脱硫系统,进行脱硫反应,脱硫后的净烟气返回烟囱排放到大气。风机进出口接有弹性连接,以防止风机振动传递给管道。 烟道将根据可能发生的最差运行条件进行设计,外部考虑充分加固和支撑, 以防止颤动和振动,并且设计能保证在各种烟气温度和压力下能提供稳定的运行。 我公司脱硫系统的阻力在 800Pa 左右,在增加脱硫系统后,尾排风机的压头需增加 1200Pa 左右,由于现有风机压头有足够余量,因此风机不需改造。 由于窑尾烟气温度比较高,为了防止系统管道及设备受损及变形,在风机前后、脱硫塔出入口设置膨胀节,用于补偿烟道热膨胀引起的位移。膨胀节在各种条件下能吸收设备和管道的轴向和侧向位移,以保护设备和管道免受损及变形。 从脱硫塔出来的烟气经过出烟管到排放烟囱排入大气,因烟囱中含有较多的 水蒸气及少量末完全吸收的酸性气体,会对管道及烟囱造成腐蚀,故出烟管及烟囱要用极耐腐蚀的玻璃磷片做防腐处理,以增强设备的使用寿命。 石灰石浆液通过循环泵从吸收塔浆池送至塔内喷嘴系统,与烟气接触发生化学反吸收烟气中的 SO2,在吸收塔循环浆池中利用氧化空气将亚硫酸钙氧化成硫酸钙。石膏排出泵将石膏浆液从吸收塔送到石膏脱水系统。 本方案采用链式或气力输送方式将袋收尘器或窑尾余热发电灰粉输送至搅拌仓(暂定采用定量给料,取灰自窑尾收尘器),具体采用何种办法待与招标方确定全部工艺设备位置后处理。 灰粉和工艺水在浆液制备槽中配成浓度为 15-25%的浆液存放在石灰浆槽中,经石灰浆泵送入吸收塔。本部分所有储罐都设计有超声波液位计及报警装置,所有与浆液接触部分均做防腐处理。 本项目以吸收塔循环槽为中间缓冲槽,不另设计中间缓冲槽,利用吸收塔浆液排出泵和旋流器,将大颗粒浆液输送至真空皮带脱水机系统,细颗粒物料回吸收塔循环槽。 工艺水系统非常简单,最大的作用就是配合除雾器的使用(当然间接作为系统补水的来源)。工艺水系统设计原则:降低能耗、节约用水,确保该系统相对窑系统 100%的投运率。事故浆液系统是脱硫系统在事故情况下,脱硫吸收塔需要将浆液放尽进行处理时,浆液存放的事故罐以及进入事故罐和事故后返回吸收塔的设备。 事故浆液系统作用:1、可以在事故情况下节省大量浆液。2、在吸收塔检修后起机时,可以将浆液注入塔中,为化学结晶提供晶核。包含设备及作用:1、事故浆液槽:储存事故浆液;2、来浆管道:吸收塔浆液通过排放泵出口的来浆管道排放到事故浆液槽;3、事故泵:事故处理完毕后,事故浆液槽内浆液通过此泵打回吸收塔;4、返塔管道:事故浆液返回吸收塔管道;5、搅拌器:防止事故浆液槽内浆液沉淀凝结。脱硫系统中的滤液废水可喷洒到立磨、煤磨、增湿塔、篦冷机以及原料堆场,已形成封闭回路避免外排。 满足真空皮带机等及空气炮等。本项目中平均压缩空气量不小于5.0m3 /min。管道系统及各种支吊架的布置设计应能承受各种荷载、热膨胀位移和应力。并且确保管道作用在设备上的力和力矩在的范围之内。提供系统所需的所有管道、阀门、仪表、控制设备和附件等的设计。管道、阀门和仪表考虑防腐。
项目投入后,2#窑尾烟气二氧化硫排放浓度20 mg/Nm3以下。符合四部委联合下发的《工业炉窑大气污染综合治理方案》及省政府下发的《河南省2019年大气污染防治攻坚战实施方案的通知》,对熟料生产线窑尾烟气排放提出更高要求,SO2 排放值50mg/Nm3的限值要求,达到预期改造目标。
编辑:段丹丹
审核:东朝莉、王玉敏

点我访问原文链接